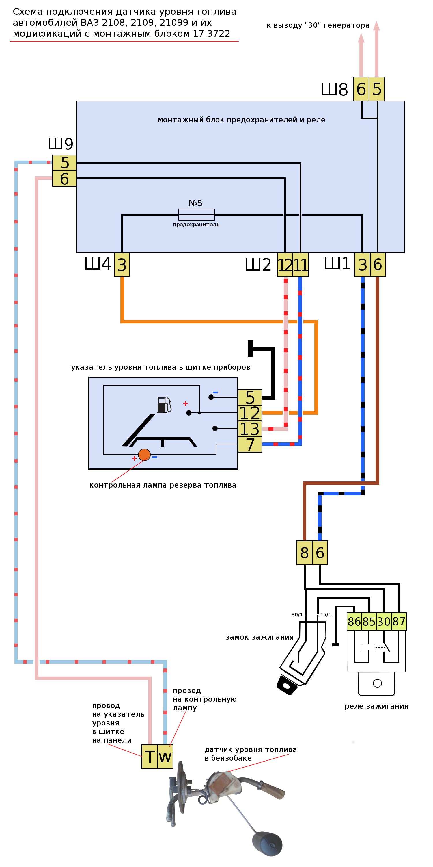
В системе питания карбюраторного двигателя автомобилей ВАЗ 2108, 2109, 21099 устанавливается датчик уровня топлива (ДУТ), предназначенный контролировать количество бензина в топливном баке. Он расположен на заборнике топлива в топливном баке автомобиля. На щитке приборов имеется указатель уровня топлива и лампа (сигнализатор) резерва топлива, связанные электрической цепью с датчиком уровня топлива и передающие информацию с него непосредственно водителю.
Датчик уровня топлива (ДУТ) автомобилей ВАЗ 2108, 2109, 21099
1. Устройство датчика топлива автомобилей ВАЗ 2108, 2109, 21099.
Датчик уровня топлива (ДУТ) имеет круглый фланец, крепящийся непосредственно к топливному баку. На фланце расположена соединительная колодка датчика с двумя выводами.
К нему же приварена трубка топливозаборника и трубка обратки. Сам датчик имеет пластиковый корпус, крепящийся на опорной пластине. Внутри корпуса расположен реостат с обмоткой из нихромовой проволоки и неподвижный контакт включения лампы резерва топлива. Контакт соединен с колодкой датчика (вывод «W»). У реостата имеется ползунок, установленный на вращающейся оси и соединенный с подвижным рычагом, на конце которого установлен пластмассовый герметичный поплавок. Нижний конец реостата соединен с колодкой датчика.
2. Принцип действия датчика уровня топлива автомобилей ВАЗ 2108, 2109, 21099.
Поплавок перемещается вниз или вверх при падении или увеличении уровня топлива топлива в бензобаке. Одновременно перемещается соединенный с ним ползунок по обмотке реостата меняя сопротивление на выходе с реостата с низкого на высокое и обратно. Падение и повышение сопротивления отражается на перемещении стрелки указателя уровня топлива в щитке приборов. Уровень в баке низкий, поплавок опущен – сопротивление 285-335 Ом (стрелка указателя уровня топлива на нуле), стрелка указателя показывает пол бака – сопротивление 100-135 Ом, полный бак (стрелка до отказа вправо, поплавок поднят)– 7-25 Ом.
В нижнем положении поплавка, когда уровень топлива самый минимальный (4-7 л), замыкаются контакты на ползунке и контакт лампы резерва топлива. Лампа на щитке приборов загорается.


Подробнее о том как работает указатель и датчик уровня топлива: «Указатель уровня топлива ВАЗ 21083, схема».
3. Электрическая схема соединений датчика уровня топлива автомобилей ВАЗ 2108, 2109, 21099.

4. Применяемость датчика уровня топлива на автомобилях ВАЗ 2108, 2109, 21099.
На автомобилях ВАЗ 2108, 2109, 21099 и их модификациях применяется датчик уровня топлива 24.3827 и его разновидности. Характеристики его следующие: напряжение -12 В, полное сопротивление реостата-350 Ом, длина рычага поплавка-115 мм, угол наклона рычага при пустом баке-27,5 градусов.
5. Неисправности датчика уровня топлива.
При выходе из строя датчика уровня топлива указатель уровня топлива в щитке приборов либо вовсе не работает, либо показывает неверную информацию. Например, бензобак полный, а стрелка указателя все время на нуле или наоборот при пустом баке стрелка прилипла к правому концу шкалы. Подробнее о других неисправности датчика уровня топлива см. «Не работает указатель уровня топлива в щитке приборов ВАЗ 2108, 2109, 21099».
Примечания и дополнения
— Реостат это электрический прибор, позволяющий регулировать силу тока и напряжение в электрической цепи посредством изменения сопротивления проходящего через его обмотку электрического тока. Ползунок, являясь подвижным контактом, перемещаясь по виткам обмотки реостата (проводника), изменяет количество витков включенных в цепь тем самым изменяет длину проводника и соответственно его сопротивление.
Еще статьи по топливной системе автомобилей ВАЗ 2108, 2109, 21099
- Снятие и установка датчика уровня топлива автомобилей ВАЗ 2108, 2109, 21099
- Схема топливной системы автомобилей ВАЗ 2108, 2109, 21099 с карбюраторным двигателем
- Прочищаем сетчатый топливный фильтр на заборнике топлива в бензобаке автомобилей ВАЗ 2108, 2109, 21099
- Схема подключения лампы резерва топлива ВАЗ 2108, 2109, 21099
- Неисправности топливной системы автомобилей ВАЗ 2108, 2109, 21099



