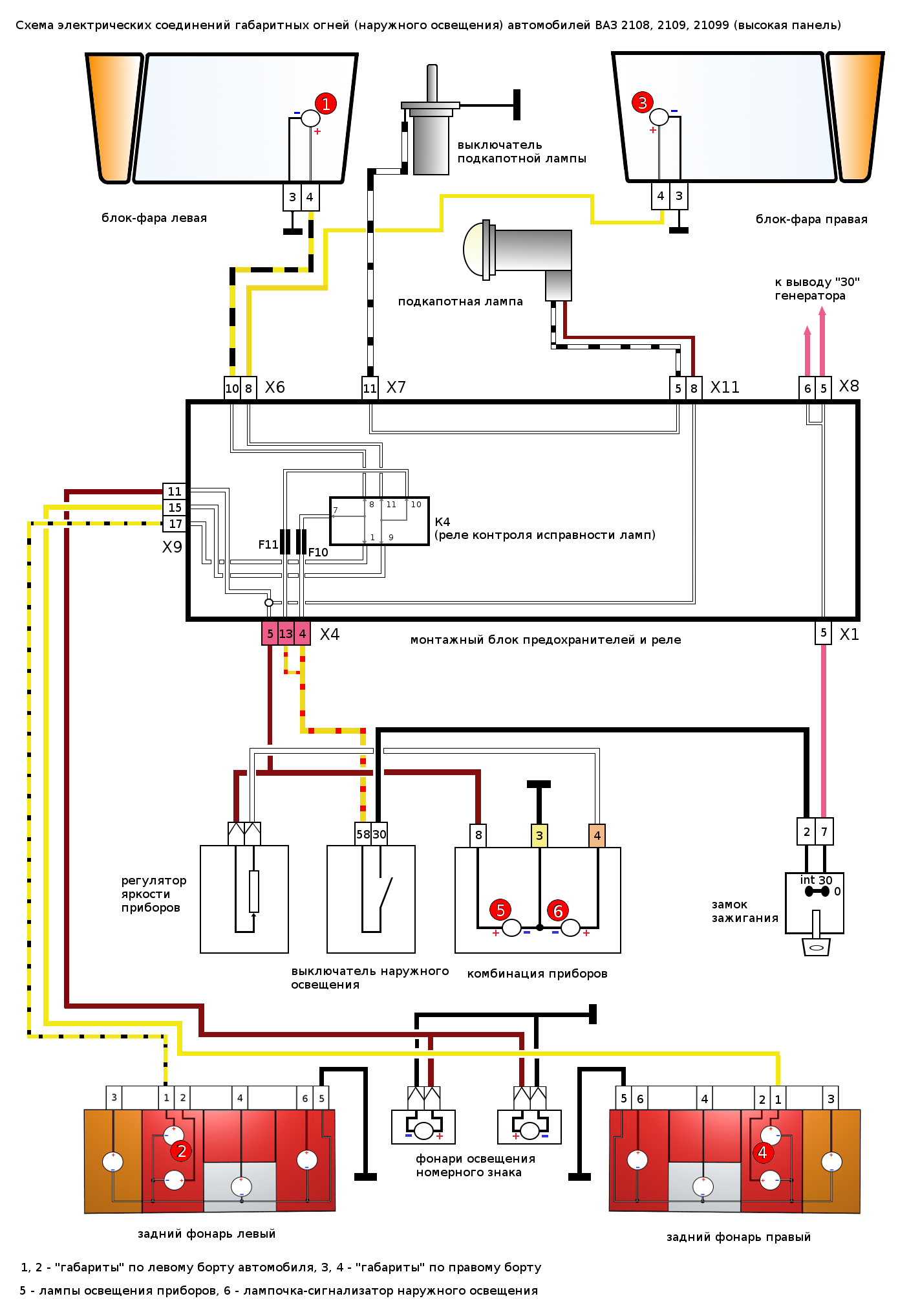
В передних фарах автомобилей ВАЗ 2108, 21081, 21083, 2109, 21091, 21093, 21099 установлены лампы ближнего/дальнего света фар, лампа габарита, лампа указателя поворота.
Провода передней фары ВАЗ 2108, 2109, 21099
К каждой из блок-фар присоединены по две колодки (фишки) проводов на эти лампы. Одна основная — на саму фару, другая дополнительная на секцию указателя поворота.

Основная колодка проводов
В фигурной колодке (присоединяется к фаре только в одном положении) объединены четыре провода. Распиновка проводов следующая.
Правая фара
1 — Серый провод (+ на ближний свет). Идет с вывода «6» колодки Ш5 (Х5) монтажного блока. Внутри фары в колодке на лампу продолжается белым проводом.
2 — Зеленый провод (+ на дальний свет). Идет с вывода «1» колодки Ш5 (Х5) монтажного блока. Внутри фары в колодке на лампу продолжается желтым проводом.
3 — Черный провод (общий минус на фару). Крепится на кузов рядом с фарой. На автомобилях до 1998 г.в. к ним присоединен черный провод на массу датчика включения вентилятора радиатора системы охлаждения двигателя. Внутри фары продолжается на колодку лампы черным проводом.
4 — Желтый провод (+ на лампу габаритных огней). Идет на вывод «8» колодки Ш6 (Х6). Внутри фары на лампу габаритного огня продолжается синим проводом.
Левая фара
1 — Черно-серый провод (+ на ближний свет). Идет с вывода «3» колодки Ш5 (Х5) монтажного блока. Внутри фары в колодке на лампу продолжается белым проводом.
2 — Черно-зеленый провод (+ на дальний свет). Идет с вывода «2» колодки Ш5 (Х5) монтажного блока. Внутри фары в колодке на лампу продолжается желтым проводом.
3 — Черный провод (общий минус на фару). Соединяется с минусовым проводом указателя поворота и крепится на кузов рядом с фарой.
4 — Желто-черный провод (+ на лампу габаритных огней). Идет с вывода «10» колодки Ш6 (Х6). Внутри фары на лампу габаритного огня продолжается синим проводом.
Дополнительная колодка проводов
Квадратная фишка с выступом (вставляется только в одном положении).
Правая блок-фара
Голубой провод (+ на указатель поворотов). Идет с вывода «11» колодки Ш6 (Х6) монтажного блока.
Черный провод (- на поворотник). Идет с точки крепления к кузову автомобиля рядом с фарой.
Левая блок-фара
Черно-голубой провод (+ на указатель поворотов). Идет с вывода «3» колодки Ш6 (Х6) монтажного блока.
Черный провод (- на поворотник). Идет с основной колодки проводов фары (далее на точку крепления к кузову рядом с фарой).
Полные схемы подключения ближнего/дальнего света фар, габаритных огней и поворотников
— Как подключены указатели поворота ВАЗ 21093 инжектор
Примечания и дополнения
Ближний и дальний свет фар на автомобилях ВАЗ 2108, 2109, 21099 и их модификациях включается левым подрулевым переключателем при включенном переключателе наружного освещения.
Лампа ближний/дальний свет галогеновая АК12-60+55 (Н4)
Лампа габарита А12-4-1
Лампа указателя поворота А12-21-3
См. «Лампы в электрооборудовании автомобиля ВАЗ 21083 (21093, 21099)».
Еще статьи по электрооборудованию автомобилей ВАЗ 2108, 2109, 21099
- Реле ближнего света фар автомобилей ВАЗ 2108, 2109, 21099
- Реле указателей поворота автомобилей ВАЗ 2108, 2109, 21099
- Не работают поворотники ВАЗ 2108, 2109, 21099
- Не горит ближний или дальний свет фар ВАЗ 2108, 2109, 21099, причины
- Регулировка света фар ВАЗ 2108, 2109, 21099
- Как снять переднюю фару ВАЗ 2108, 2109, 21099





