На автомобилях ВАЗ 2107, 2105, 2104 и их модификациях ближний и дальний свет объединены в одной двухнитевой галогенной лампе, установленной в передних блок фарах.
Причины неисправности: «не горит ближний или дальний свет фар на ВАЗ 2107, 2105, 2104»
1. Перегорела нить накаливания в лампе.
(либо на ближний свет, либо на дальний, либо на то и на другое вместе)
Возможно подошел ее предельный срок эксплуатации, либо попала вода. грязь, либо сильная встряска и т.п. Извлекаем лампу из блок фары и визуально осматриваем ее. Перегоревшая нить будет видна сразу. Заменяем лампу новой.

2. Нет «массы».
Минусовой черный провод идет от соединительной колодки лампы до места крепления на кузове автомобиля (рядом с каждой фарой). Обычно окисляется место крепления наконечника провода и кузова. Зачищаем его и закрепляем наконечник провода. Плохой контакт с «массой» часто является причиной мерцания ближнего/дальнего света фар при движении по неровной дороге.
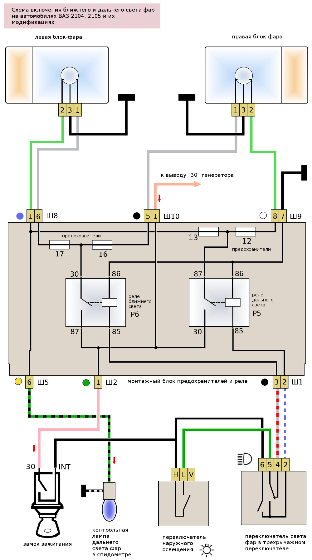
3. Перегорел предохранитель в монтажном блоке.
17, 16 — ближний свет, 12, 13 — дальний свет. Если предохранители горят постоянно, следует проверить электрическую цепь на наличие короткого замыкания.
4. Неисправно реле в монтажном блоке.
Реле ближнего света — Р6, дальнего — Р5. Заменяем реле новым или заведомо исправным.
5. «Обрыв» в электрической цепи ближнего или дальнего света фар.
Прозваниваем провода электрической цепи и находим место обрыва. Используем схему подключения ближнего и дальнего света фар для автомобилей ВАЗ 2107, 2105, 2104.

6. Неисправны подрулевые переключатели.
См. «Контакты подрулевых переключателей ВАЗ 2104, 2105, 2107».
7. Неисправен переключатель наружного освещения на панели приборов.
Возможно просто на него не до конца надета соединительная колодка проводов. Либо присоединена наоборот. В таком случае начинаются «чудеса» — например, одна фара горит ближним светом, другая габаритом. Соедините отрезком провода зеленый и черный провод переключателя и попробуйте включать ближний и дальний свет. Если все работает, переключатель наружного освещения неисправен и подлежит замене.
Примечания и дополнения
-Для ближнего и дальнего света фар на автомобилях ВАЗ 2107, 2105, 2104 применяются галогенные двухнитевые лампы АКГ 12-60+55 (Н4).
Еще статьи по электрике автомобилей ВАЗ 2107, 2105, 2104
- Не работают поворотники ВАЗ 2104, 2105, 2107
- Схема включения электродвигателя вентилятора отопителя ВАЗ 2104, 2105, 2107
- Схема включения габаритов ВАЗ 2105
- Провода задних фонарей ВАЗ 2107
- Не горят габариты ВАЗ 2104, 2105, 2107
- Не работают стоп-сигналы ВАЗ 2107




Возможно проблема в подрулевом переключателе (гитаре). Снимите колодку правого подрулевого переключателя. Включите зажигание и нажмите на клавишу переключателя наружного освещения. Соедините отрезком провода вывод зеленого провода в колодке и вывод сине-белого провода. Если дальний свет загорелся, то подрулевой переключатель неисправен (возможно просто пропал контакт в соединительной колодке). Так же можно соединить вывод черного провода и сине-белого. Таким образом проверим кратковременное включение дальнего света.
Не работает дальний свет ваз 2105 карбюратор
Включаешь дальний свет горит только подсветка на ближнем свете всё работает!
Предохранители целые
Реле поменял ничего не изменилось!
Дальний свет пропал когда был перезаряд акамулятора!
Где искать причину?
Спасибо за статью,всё понятно и доступно, даже я нашла причину.
Не совсем понятно в какой фишке вы перемкнули провода. Если фишка на подрулевой переключатель («гитару»), то скорее всего неисправность в ней. Если фишка на выключатель наружного освещения, то в нем.
вдруг пропал всякий свет фар. случайно перемкнул ножом на крайней фишке 2 вывода — все появилось. замкнул перемычкой — все работает штатно, но при выключенном зажигании фары светят, скинул массу. пробовал разобраться по схеме, но они все недоступны пониманию (в отличие ГАЗ-2752). кто бы подсказал где болячка…
Для начала нужно проверить как работает выключатель наружного освещения. А именно — правильно ли к нему присоединены провода и соответствуют ли они выводам выключателя. Вот ссылка на статью с распиновкой. После чего можно включить зажигание и перемкнуть отрезком провода вход (черный провод — плюс с замка зажигания) и выходы сначала на габариты и потом на ближний свет. Если все загорелось, выключатель под замену. Если нет, аналогично нужно проверить подрулевой переключатель. Вот ссылка на его распиновку.
Подскажите пожалуйста нет габоритов ближнего и дальнего света на 2107 при выключеном свете мигает дальний при включении габоритов или ближнего ни чего не горит