На примере датчика давления моторного масла ММ120Д автомобилей ВАЗ 2108, 21081, 21083, 2109, 21091, 21093, 21099 разберем зачем он нужен, как работает, какие у него бывают неисправности, а так же определим его применяемость.
Датчик давления масла в системе смазки карбюраторных двигателей (2108, 21081, 21083) автомобилей ВАЗ 2108, 2109, 21099
1. Для чего нужен датчик давления моторного масла.
Датчик давления масла работающий в паре с контрольной лампой аварийного давления масла необходим для контроля за давлением масла в системе смазки двигателя. В случае снижения давления масла датчик замыкает электрическую цепь контрольной лампы и та загорается, сигнализируя водителю, что в двигателе автомобиля имеются неисправности.
2. Где установлен датчик давления масла на автомобилях ВАЗ 2108, 2109, 21099.
Датчик давления масла на двигателях автомобилей ВАЗ 2108, 2109, 21099 и их модификаций установлен в головке блока с правой стороны, возле впускного коллектора. Он завернут по резьбе в специальное отверстие. На его вывод крепится наконечник провода к лампе аварийного давления масла (в щитке приборов).

3. Как работает датчик давления масла.
После поворота ключа в замке зажигания контрольная лампа аварийного давления масла в щитке приборов загорается так как в соединенном с ней датчике давления масла замкнуты контакты и через него электрическая цепь лампочки соединена с «массой».
После пуска двигателя автомобиля давление в его системе смазки возрастает. При достижении значения 0,2-0,6 кгс/см² диафрагма внутри датчика начинает изгибаться поднимая вверх толкатель и подвижные контакты датчика, сжимая пружину. Подвижные и неподвижные контакты датчика давления размыкаются, разрывая электрическую цепь, контрольная лампа гаснет.
Аналогично датчик срабатывает при аварийном снижении давления в системе смазки двигателя при возникновении каких-либо неисправностей.

4. Неисправности датчика давления масла.
Подробно о давлении масла в двигателе и неисправностях датчика давления масла: «Низкое давление масла в двигателе, признаки, причины».
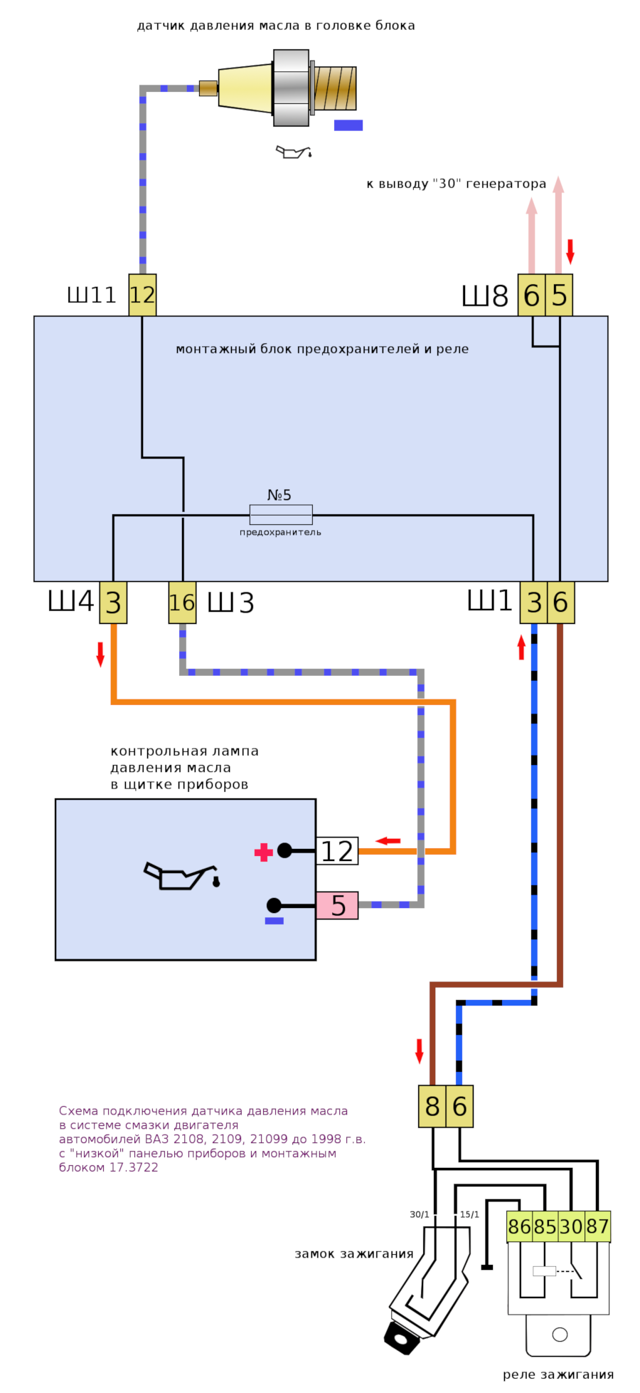
5. Схема подключения датчика давления масла на автомобилях ВАЗ 2108, 2109, 21099.

6. Применяемость датчика давления масла на автомобилях ВАЗ.
На двигателях 2108, 21081, 21083, 2111 автомобилей ВАЗ 2108, 21081, 21083, 2109, 21091, 21093, 21099 применяется датчик ММ120Д (ММ120, ММ120ДМ), либо его аналоги разных производителей. Каталожные номера 2106-3829010, 2106-3829010-01, 2106-3829010-02, 2101-3810600.
Примечания и дополнения
Гайка датчика давления масла под ключ на «22», резьба М14/1,5. Момент затяжки 3-4 Н.м.
Еще статьи по электрооборудованию автомобилей ВАЗ 2108, 2109, 21099
- Почему лампа давления масла мигает и горит на холостом ходу?
- Проверка давления в системе смазки двигателя 2108, 21081, 21083
- Все датчики двигателя 21083 автомобилей ВАЗ 21083, 21093, 21099
- Ремонт масляного насоса двигателя ВАЗ 2108, 2109, 21099
- Течет масло под клапанную крышку двигателя, причины неисправности
- Признаки неисправности масляного насоса карбюраторного двигателя автомобилей ВАЗ 2108, 2109, 21099



