На автомобилях ВАЗ 2104, 2105, 2107 установлено 4 габаритных огня (габаритов): по одному в передних блок-фарах и по одному в задних фонарях.
Отказ какого-либо из них работать — довольно распространенное явление. Разберем причины этой неисправности — «почему не горят габариты на автомобилях ВАЗ 2104, 2105, 2107«.
Признаки неисправности «не горят габариты ВАЗ 2104, 2105, 2107»
Не работать может один габарит, два габарита (спереди или сзади, с правого либо левого борта, крест-накрест) или вообще все.
Причины неисправности «не горят габариты автомобилей ВАЗ 2104, 2105, 2107»
1. Перегорела лампочка габаритного огня.
Самая распространенная причина. Внезапно перегореть может как одна лампочка, так и сразу несколько. В ряде случаев внешне вычислить перегоревшую лампочку бывает невозможно. Поэтому заменяем перегоревшую заведомо исправной. Можно использовать аналогичную из соседней фары.
2. Окислились контакты лампочки в патроне.
Несколько раз проворачиваем лампочку в патроне для удаления окислившегося слоя и восстановления контакта. В дальнейшем можно зачистить все наждачной бумагой.
3. Пропала «масса» к фарам или задним фонарям.
Нарушение контакта с «массой» приводит к отказу работать не только одного габарита, но и целой блок-фары или заднего фонаря.
«Минусовые» провода, передних блок-фар и задних фонарей имеющих габаритные огни, на автомобилях ВАЗ 2104, 2105, 2107 крепятся к кузову автомобиля. Необходимо зачистить место крепления, чтобы обеспечить хороший контакт с «массой». Обычно минусовой это черный провод от соединительной колодки фар, крепящийся к кузову рядом с блок-фарой или задним фонарем.
4. Нарушен контакт в соединительной колодке фары или заднего фонаря.
Либо окислился, либо колодка присоединена неплотно. В такой ситуации может не гореть либо одна лампа габарита либо фара целиком. Несколько раз надеваем-снимаем колодку чтобы восстановить контакт.
5. Осыпалась дорожка в плате заднего фонаря.
При длительной эксплуатации автомобиля, или если установлена деталь низкого качества возможно осыпание (перегорание) дорожки к патрону лампы габаритного света в задних фонарях.
6. Нарушен контакт в соединительных колодках монтажного блока реле и предохранителей.
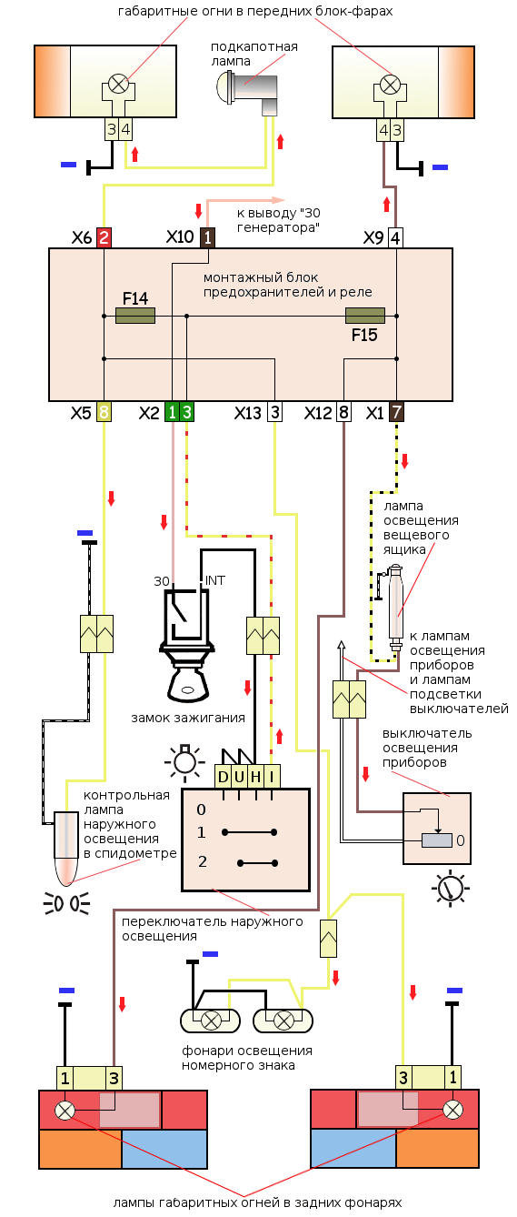
Проверьте колодки Ш12 (Х12), Ш13 (Х13), Ш9 (Х9), Ш6 (Х6) монтажного блока. Или Ш2 (Х2) — выводы 1 и 3 в случае если не горят все габариты.
7. Перегорел предохранитель в монтажном блоке.
Если перегорел предохранитель №14 (F14), не будут гореть габаритные огни в передней левой блок-фаре и в заднем правом фонаре. Если №15 (F15), то не будет гореть габарит в передней правой фаре и заднем левом фонаре, то есть крест-накрест.
Предохранители нужно заменить исправными и в дальнейшем установить причину их перегорания. Возможно в электрической цепи имеется короткое замыкание.
8. Неисправен выключатель наружного освещения на панели приборов.
Не будут гореть все габариты. Извлеките выключатель, снимите с него колодку проводов. Соедините отрезком провода выводы черного и желто-красного провода. Включите зажигание. Если габариты загорелись — выключатель неисправен и подлежит замене.
9. «Обрыв» в электрической цепи подключения габаритных огней.
Необходимо по схеме подключения проверить участки цепи отвечающие за не горящий габарит. Подробнее: «Как найти обрыв в электрической цепи автомобиля».

Схема включения габаритов 2107.

Примечания и дополнения
— Для монтажного блока с пальчиковыми предохранителями обозначение колодок «Ш» и предохранителя «№». Для монтажного блока с ножевыми предохранителями «Х» и «F».
— На автомобилях ВАЗ 2104, 2105, 2107 в передних фарах и задних фонарях применяются лампочки габаритного света А12-4-1 (T4W).
— В паре с габаритами работает подкапотная лампа и фонари освещения номерного знака.
Еще статьи по электрооборудованию автомобилей ВАЗ 2104, 2105, 2107
- Не работают поворотники ВАЗ 2104, 2105, 2107
- Схема подключения заднего «дворника» автомобиля ВАЗ 2104
- Не горит ближний или дальний свет ВАЗ 2107, 2105, 2104
- Схема подключения фонарей подсветки заднего номера ВАЗ 2107
- Схема включения электродвигателя вентилятора отопителя ВАЗ 2104, 2105, 2107
- Контакты подрулевых переключателей ВАЗ 2104, 2105, 2107



