Схемы

Схемы основных систем и механизмов автомобиля — кузова, двигателя, карбюратора, инжектора, подвески, рулевого управления, тормозов, электрооборудования и пр.

Стартер, схемы подключения, устройство

Еще статьи и схемы стартеров автомобилей ВАЗ в рубрике: «Стартеры автомобилей ВАЗ».

Генератор автомобиля, схемы

Еще статьи и схемы генераторов автомобилей ВАЗ на странице: «Генераторы автомобилей ВАЗ».

Система зажигания автомобилей ВАЗ 2104, 2105, 2107

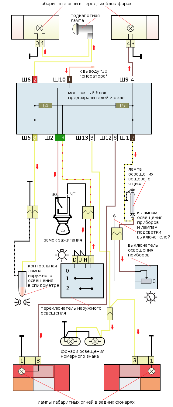
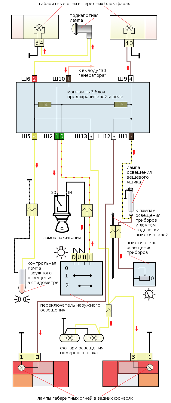
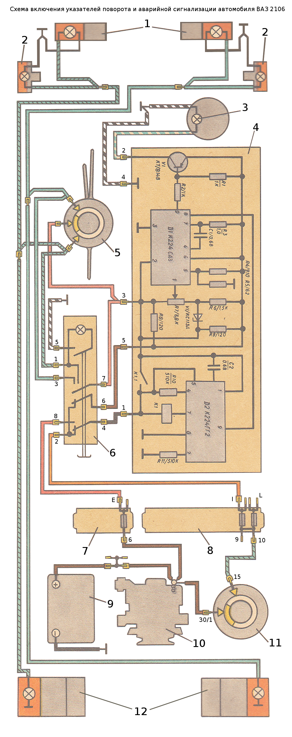
Электрооборудование автомобиля, схемы

Кузов автомобиля, схемы

Тормозная система автомобилей ВАЗ 2101, 2102, 2103, 2104, 2105, 2106, 2107 и их модификаций

Еще больше автомобильных схем в категории: «Схемы».

Подписывайтесь на нас!

Twokarburators-Telegram
Twokarburators-Vk
Twokarburators-Ok
Twokarburators-Dz