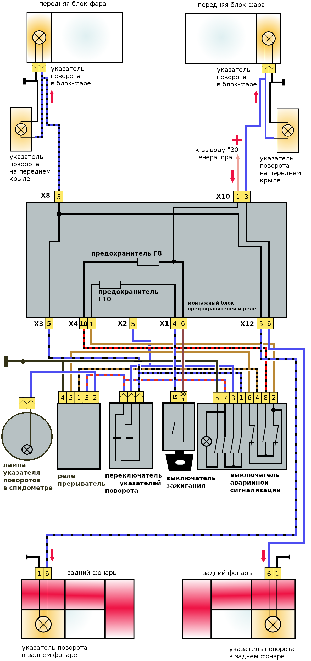
Следующее изображение Povoroty-2105 Схема включения указателей поворота автомобиля ВАЗ 2105 схема включения указателей поворота автомобиля 2105