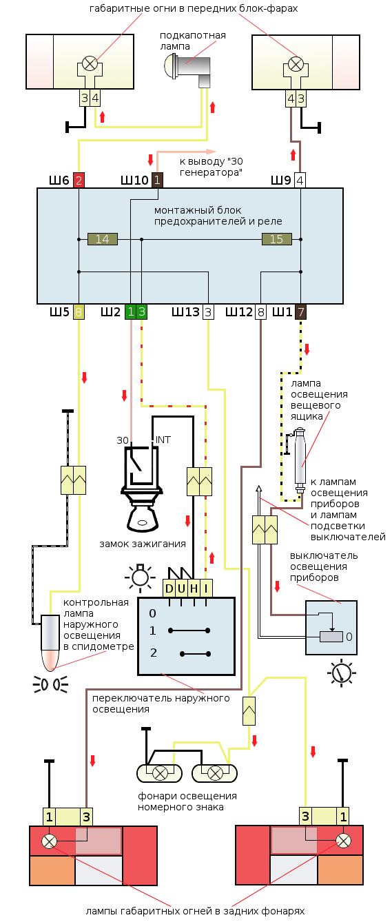
Следующее изображение image817 Схема включения наружного освещения автомобиля ВАЗ 2105 схема включения наружного освещения автомобиля ВАЗ 2105