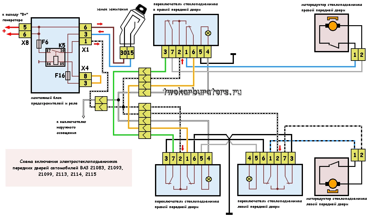
Предыдущее изображение Electrosteklopodemniki-vaz-21083 Электростеклоподъемник передней двери кнопка управления ВАЗ 21083, 21093, 21099