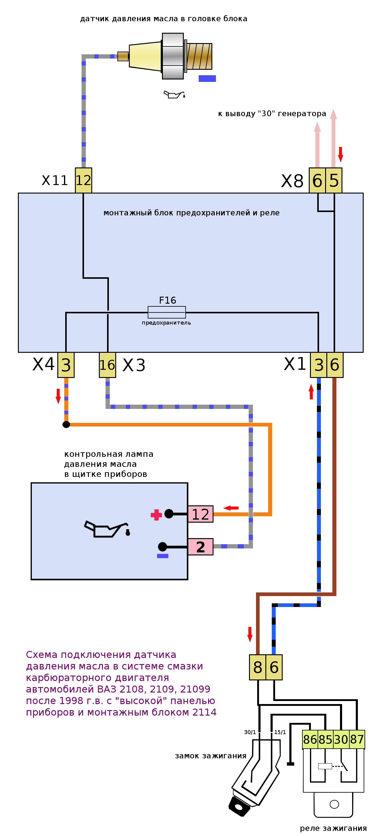
Предыдущее изображение Следующее изображение image1182 Схема подключения датчика давления масла 2108, 2109, низкая панель схема подключения датчика давления масла 2108, 2109, низкая панель